一、使用條件
本產品適用于公稱壓力為0.6MPa的稀油潤滑系統中,具有清除潤滑油中雜質使供給潤滑點的油達到潔凈的功能,小型的為整體式,較大的為組合式,分別由二組過濾筒和一個三位六通換向閥組成,工作時一筒工作,一筒備用,可實現不停車切換過濾筒,達到循環潤滑系統不間斷工作的目的。
二、技術參數
| 型 號 |
公稱
通徑
DN
mm |
公稱
壓力
MPa |
過濾
面積
.png) |
運 動 粘 度 cSt |
重量
kg |
| 28 |
46 |
67 |
89 |
326 |
| 過 濾 精 度 mm |
| 0.08 |
0.12 |
0.08 |
0.12 |
0.08 |
0.12 |
0.08 |
0.12 |
0.08 |
0.12 |
| 過 濾 精 度 mm |
| SLQ-32 |
32 |
0.6 |
0.082 |
130 |
310 |
120 |
212 |
63 |
161 |
28.5 |
68.7 |
18.7 |
48.8 |
81.7 |
| SLQ-40 |
40 |
0.21 |
330 |
790 |
305 |
540 |
160 |
384 |
72.3 |
175 |
48 |
125 |
115 |
| SLQ-50 |
50 |
0.31 |
485 |
1160 |
447 |
793 |
250 |
565 |
106.5 |
256 |
69 |
160 |
203.8 |
| SLQ-65 |
65 |
0.52 |
820 |
1960 |
760 |
1340 |
400 |
955 |
180 |
434 |
106 |
250 |
288 |
| SLQ-80 |
80 |
0.833 |
1320 |
3100 |
1200 |
2150 |
630 |
1533 |
288 |
695 |
170 |
400 |
346 |
| SLQ-100 |
100 |
1.31 |
1990 |
4750 |
1840 |
3230 |
1000 |
2310 |
436 |
1050 |
267 |
630 |
468 |
| SLQ-125 |
125 |
2.20 |
3340 |
8000 |
3100 |
5420 |
1680 |
3890 |
730 |
1770 |
450 |
1000 |
1038.5 |
| SLQ-150 |
150 |
3.30 |
5000 |
12000 |
4650 |
8130 |
2520 |
5840 |
1094 |
2660 |
679 |
1600 |
1185 |
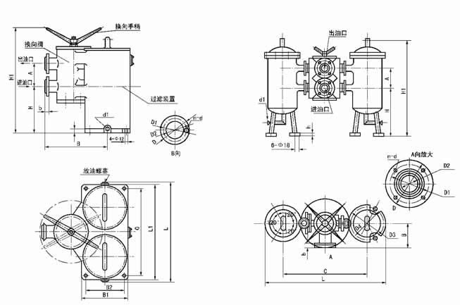
三、外形結構

SLQ-32,SLQ-40雙筒網式過濾器(整體式) DN≥50的SLQ型雙筒網式過濾器(組合式)
四、外形尺寸
| 型號 |
公稱通徑DN |
A |
B |
B1 |
B2 |
C |
d1 |
D3 |
D4 |
H |
| SLQ-32 |
32 |
140 |
250 |
186 |
154 |
344 |
G3/8" |
- |
- |
145 |
| SLQ-40 |
40 |
165 |
265 |
222 |
184 |
410 |
- |
- |
180 |
| SLQ-50 |
50 |
190 |
165 |
- |
- |
693 |
G1/2" |
330 |
280 |
355 |
| SLQ-65 |
65 |
200 |
170 |
- |
- |
713 |
374 |
300 |
395 |
| SLQ-80 |
80 |
220 |
202 |
- |
- |
830 |
G3/4" |
374 |
320 |
500 |
| SLQ-100 |
100 |
250 |
202 |
- |
- |
895 |
442 |
400 |
610 |
| SLQ-125 |
125 |
260 |
240 |
- |
- |
1200 |
G1" |
755 |
600 |
640 |
| SLQ-150 |
150 |
300 |
240 |
- |
- |
1200 |
755 |
600 |
860 |
續上表
| 型號 |
H1 |
L |
L1 |
h |
時出油口連接法蘭尺寸 |
| |
D1 |
D2 |
b |
d |
n |
| SLQ-32 |
440 |
397 |
386 |
20 |
135 |
100 |
78 |
18 |
18 |
4 |
| SLQ-40 |
515 |
480 |
447 |
145 |
110 |
85 |
| SLQ-50 |
800 |
1023 |
- |
160 |
125 |
100 |
20 |
| SLQ-65 |
860 |
1097 |
- |
180 |
145 |
120 |
| SLQ-80 |
990 |
1202 |
- |
195 |
160 |
135 |
22 |
8 |
| SLQ-100 |
1190 |
1337 |
- |
215 |
180 |
155 |
| SLQ-125 |
1270 |
1955 |
- |
30 |
245 |
210 |
185 |
24 |
| SLQ-150 |
1530 |
1955 |
- |
280 |
240 |
210 |
23 |
五、型號標注說明

六、工作原理
1、本型式過濾器由一六通換向閥及二組過濾裝置組成,置于油泵出口及冷卻器前端,正常工作時,一組過濾裝置啟用,另一組被換向閥封閉備用。
2、閥片式六通換向閥為手動,工作過程中,截止備用過濾裝置連通工作中的過濾裝置,閥上部有通、止標記,在工作壓力≤6kgf/cm2可不停機換向。
3、過濾裝置為二組,一組工作,一組備用。在工作中過濾裝置需要維修清洗時,可啟動另一組備用過濾裝置投入工作,而不影響主機正常工作。
4、系統圖

七、使用說明
1、當過濾器的進出口壓力差≥0.5kgf/c 時,說明過濾裝置中的濾芯已被機械雜質阻塞,應及時清洗或更換濾芯,同時也應清洗筒體。
2、在正常工作時過濾器的進出口壓差應≤0.035MPa。
八、訂貨須知
訂貨時必須注明所需的過濾精度值,不注明的均按0.12mm供貨。 |