|
一、概述
JPQ(D)型遞進分配器由首塊A,工作塊M、尾塊E 組成分配器組,工作塊的件數可根據需要選擇,最少三件,最多可達10 件,每件工作塊有兩個出油口,因此每一分配器組的出油口在6-20 個之間,也就是每一分配器組可供6-20 個潤滑點,所需供油量的多少,可按型號規格表列數據選用。如果某潤滑點在一次循環供油中需要供油量較大或特大,可采用圖A3 的方法,取出工作塊內部的封閉螺釘,并在出油口增加一個螺堵,使兩個出油口的油量合并到一個出油口。
注意所合并的供油量是工作塊排列中下一個工作塊型號所規定的供油量(參看工作原理圖)。如果合并兩個出油口的供油量仍然滿足不了需要,可采用圖A4 的方法,增加三通或二通橋式接頭,以匯集幾個出油口的油量來滿足需要。
|
|
|
| 二、技術參數 |
|
|
型號
|
工作塊代號
|
公稱壓力
Mpa
|
給油量
ml/次
|
進油口管子外徑
mm
|
出油口管子外徑
mm
|
重量
kg
|
|
JPQS
|
M1
|
16
|
0.10
|
10:8
|
8:6
|
0.485
|
|
M1.5
|
0.15
|
|
M2
|
0.20
|
|
M2.5
|
0.25
|
|
M3
|
0.30
|
|
M4
|
0.40
|
|
KPQD
|
M1
|
0.35
|
10
|
10:8
|
0.812
|
| M1.5 |
0.55 |
|
M2
|
0.75
|
|
M3
|
1.0
|
|
| 使用介質為錐入度250~350(25℃150g)1/10mm 的潤滑脂。 |
| |
| 三、型號說明 |
 |
| |
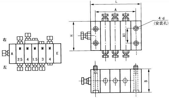
| 四、外形尺寸 |
|
|
型號
|
L
|
A
|
H
|
B
|
A1
|
螺釘d
|
|
JPQS
|
(工作塊數+2)x20
|
(工作塊數+1)x20
|
55
|
45
|
22
|
M5x50
|
|
JPQD
|
(工作塊數+2)x25
|
(工作塊數+1)x25
|
80
|
60
|
34
|
M6x65
|
|
| 說明:遞進分配器的組合按進油口元件首塊A、工作塊M和尾塊E、從左到右排列,在隊列下方出口稱為左,在隊列上方出口稱為右。如圖 |
| |
| 五、工作原理 |
A1、遞進分配器
圖A1,壓力油由進油口進入分配器組,油由柱塞“Ⅰ”的左通道進入柱塞“Ⅱ”的左腔,將柱塞“Ⅱ”推向右側,柱塞“Ⅱ”右腔的油經柱塞“Ⅰ”的右通道由出油口“1”輸出,與此同時,柱塞“Ⅱ”的左通道接通,油進入柱塞“Ⅲ”的左腔,柱塞“Ⅲ”被推至右側,右腔的油經柱塞“Ⅱ”的右通道由出油口“2”輸出。此時柱塞“Ⅲ”的左通道接通,油進入柱塞“Ⅰ”的右腔(參看圖A1)將柱塞“Ⅰ”推至左側,柱塞“Ⅰ”左腔的油通過柱塞“Ⅲ”的右通道,由出油口“3”輸出。
圖A2,按上例輸油線路,當柱塞“Ⅱ”“Ⅲ”推至左側時,柱塞“Ⅱ”“Ⅲ”左腔的油通過柱塞“Ⅰ”“Ⅱ”的左通道由出油口“4”“5”輸出,同時柱塞“Ⅲ”的右通道接通,油經右通道進入柱塞“Ⅰ”的左腔,將柱塞“Ⅰ”推至右側,右腔的油經柱塞“Ⅲ”的左通道,由出油口“6”輸出。
A2、根據以上輸油步驟,完成一次供油的循環,每一個出油口按順序定量輸油,周而復始。
A3、遞進分配器在使用時,可以施行監控,用戶如果需要監控,可在標記后注明帶觸桿(或帶監控器)。 |
 |
| |
六、訂貨須知
遞進分配器在使用時,可以施行監控,用戶如果需要監控,可在標記后注明帶觸桿(或帶監控器)。 |