1、雙線式干油集中潤滑系統
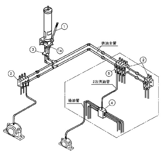
雙線式集中潤滑系統是集中潤滑的一種主要方式(又稱FARVAL方式)。雙線式集中潤滑系統主要由潤滑泵、換向閥 (通常設置在潤滑泵上)、雙線分配器、電控箱和兩條供油管組成。潤滑泵輸出的潤滑脂經過換向閥交替由兩條供油管 輸送到雙線分配器,經過雙線分配器定量分配,送往各個潤滑點。
供油管內的壓力達到分配器動作所需的壓力,分配器就能動作。而分配器動作完成又使供油管內壓力繼續上升,當 供油管內各處的壓力都超過分配器動作所需的壓力,分配器全部動作,系統完成了一次給油運行。因此,雙線式集中 潤滑系統通過控制供油管內的壓力保障分配器動作,完成系統的給油運行。
雙線式集中潤滑系統按驅動方式和配管方式可分為下列三大類:
1、手動潤滑泵終端式系統
2、電動潤滑泵終端式系統
3、電動潤滑泵環式系統
工作原理
雙線式集中潤滑使用兩條供油管交替供油,當其中一條由潤滑泵供油時,另一條則向貯油器開放。雙線分配器有 兩個進油口,分別與兩根供油管連接。
如下圖所示,潤滑泵①從貯油器②吸入潤滑脂,經過換向閥③由供油管5a輸送到分配器,進入分配器后加壓于先 導活塞4a。先導活塞下腔與供油管5b連通,經換向閥③向貯油器開放。(A圖)

先導活塞4a在供油壓力的作用下,移動到下端,使主活塞4b上腔與先導活塞上腔連通,主活塞下腔與出油口連通,供送的潤滑脂進入主活塞上腔,推動主活塞下移,將其下腔的潤滑脂經給油管⑥壓送到潤滑點(B圖)。給油量由主活塞4b的直徑和行程確定。
切換供油管,分配器活塞按相同的順序反向進行前述動作,分配器得以循環工作。
結構特點
1、給油定量準確
分配器采用容積計量,給油量不受外界因素的影響。并且分配器有給油量微調機構,可以準確地調整給油量。
2、給油可靠
由潤滑泵輸出的高壓潤滑脂直接推動分配器主活塞向潤滑點壓送潤滑脂,壓力高,因此給油可靠。
3、潤滑點可以増減,給油量可以調整
系統安裝以后,仍然可以增減潤滑點,調整給油量,而不影響系統的正常運行。
4、配管簡單
可以任意從主管上引支管接分配器,根據潤滑點的分布選擇最簡便的管線。
5、給油的范圍大,點數多。
二、雙線潤滑系統常見的幾種給油方式
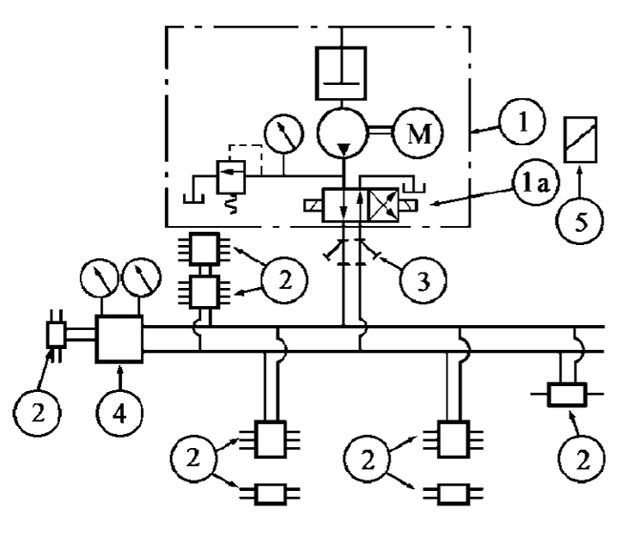
1、手動潤滑泵終端式系統
由換向閥1a的位置決定潤滑泵①輸出的潤滑脂經兩條供油主管的某一條供送,另一條向貯油器開放。
雙線分配器②全部動作完畢,供油壓力急劇上升。可用供油壓力是否達到預先確認的數值判斷系統給油工作是否 已經完成。
系統再次進行給油運行時,換向閥1a處于相反位置。供油主管壓送和開放交換。
該系統簡單,設備費用低。
適用于給油間隔時間長,潤滑點少的場合,也可與其它系統配合,潤滑某些特殊的部位。
組成部分編號及名稱
① SRB-J(L)(FB)型手動潤滑泵
1a 手動換向閥
② DSPQ-L、SSPQ-L(DW、DV)型分配器
③干油過濾器
④JPQ-L(LV)型分配器
⑤單向閥接頭

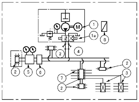
2、電動潤滑泵終端式系統
電控箱⑤內的時間繼電器使系統按照設定的給油間隔時間自動運轉,指令時間繼電器用“給油時間延長”表示給油工作的異常。此外,還有“貯油器空”、“過負荷運轉”等報譬信號。指令時間繼電器按系統一次給油工作實際所需時間加2-5分鐘調整。
供油主管末端裝有壓力操縱閥④,當末端壓力達到設定壓力,向電控箱發送信號,電磁換向閥1a換向,潤滑泵①停止,系統一次給油工作完成。經過設定的時間間隔后,系統再次工作,從另一條主油管供油。
系統設計通常按給油時間5分鐘以內(最高8分鐘以內)設計,壓力操縱閥標準設計壓力為4MPa。
壓力操縱閥設置在供油主管末端,后面需加置一塊分配器(見右圖雙點線框內)。
采用末端壓力作為系統給油工作完成的控制參數,設計容易,故適用于潤滑點散布較廣的場合。

組成部分編號及名稱
① DRB-L (U-※※AE)型電動潤滑泵
1a DEF-10(SV-32)型電磁換向閥
② DSPQ-L、SSPQ-L (DW、DV)型分配器
③干油過濾器
④ YZF-UPV-2E)型壓力操縱閥
⑤ DEA-2E型電控箱
3、電動潤滑泵環式系統
電控箱④內的時間繼電器使系統按照設定的給油間隔時間自動運轉,指令時間繼電器用“給油時間延長”表示給油工作異常,此外,還有“貯油器空”、“過負荷運轉”等報譬信號。指令時間繼電器按系統一次給油工作實際所需時間加2-5分鐘調整。
液壓換向閥1a具有切換兩條供油主管和控制供油主管末 端壓力的功能,當供油的主管末端壓力達到液壓換向閥的設定壓力時,液壓換向閥換向,并向電控箱發送信號,潤滑泵① 停止,系統一次給油完成。經過設定的時間間隔后,系統再次工作,從另一條主油管供油。
系統設計通常按給油時間5分鐘以內(最高8分鐘以內)設計、液壓換向閥標準設定壓力為5MPa。
該系統供油管末端壓力直接控制換向閥換向,動作可靠。換向閥置于潤滑泵上,便于調整,維護,適用于潤滑點比較集中的場合。

組成部分編號及名稱
① DRB-L(U-※※AL型)型電動潤滑泵
1a YHF(RV)型液壓換向閥
② DSPQ-L、SSPQ-L(DW、DV)型分配器
③ 干油過濾器
④ DEA-2L型電控箱
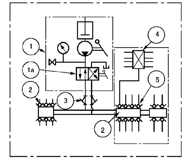
4、電動潤滑泵二級分配系統
基本動作和前述電動終端式系統相同;二次分配由雙線式分配器②的出油口接二次供油管向遞進式分配器③供油,這樣,雙線式分配器一個出油口可向4-8個潤滑點給油。
為了在分配器②和③之間的配管較長的情況下,分配器③動作有充分的保證,采用了壓力控制閥⑥,使主管壓力提高。壓力控制閥裝在距壓力操縱閥⑤1 米以內的主管上。
壓力操縱閥后需布置一塊雙線式分配器(見右圖雙點劃線框內),這塊分配器上不要再接遞進式分配器,進行二次分配。壓力操縱閥一般安裝在壓力損失******的供油主管末端。
電動環式系統也能布置二級分配,壓力控制閥安 裝在距液壓換向閥回油口1米以內的主管上。
該系統適用于潤滑點眾多,給油量相同,分布集 中,空間狹小難于確認分配器動作的場合;和壓力操 縱閥配合使用時可以采用細長的管路,檢查部位集中,便于維護管理,使用效果好。

組成部分編號及名稱
① DRB-L(U-※※AE型)型電動潤滑泵
1a DEF-10(SV-32)型電磁換向閥
② DSPQ-L、SSPQ-L (DW、DV)型分配器
③ JPQ-L(LV)型分配器
④干油過濾器
⑤ YZF-L4 (PV-2E)型壓力操縱閥
⑥ DR型壓力控制閥
⑦單向閥接頭
⑧ DEA-2E型電控箱
三、雙線潤滑系統設備及元件
|
驅動
方式
|
配管
方式
|
潤 滑 泵
|
系統公稱
壓力MPa
|
換向閥
|
電控箱
|
|
型 號
|
流量
mL/min
|
貯油器
容積L
|
電動機
功率kw
|
|
標準型號
|
引進型號
|
|
手
動
式
|
終
端
式
|
SRB-J7Z-2
|
FB-4A
|
7mL/
每循環
|
2
|
|
10
|
手動換向 閥(設置在潤滑泵內)
|
|
|
SRB-J7Z-5
|
FB-6A
|
5
|
|
SRB-L3.5Z-2
|
FB-42A
|
3.5mL/
每循環
|
2
|
|
20
|
|
SRB-L3.5Z-5
|
FB-62A
|
5
|
|
電
動
式
|
終
端
式
|
DRB-L60Z-Z
|
U-25AE
|
60
|
20
|
0.37
|
20
|
DEF-10型 電磁換向閥 和YZF-L4壓力操縱閥
|
DEA-2E
R1904
|
|
DRB-L195Z-Z
|
U-4AE
|
195
|
35
|
0.75
|
|
DRB-L585Z-Z
|
U-5AE
|
585
|
90
|
1.5
|
|
環
式
|
DRB-L60Z-H
|
U-25AL
|
60
|
20
|
0.37
|
YHF型
(RV-4U或
RV-3)液壓
換向閥
|
DEA-2L
R1902
|
|
DRB-L195Z-H
|
U-4AL
|
195
|
35
|
0.75
|
|
DRB-L585Z-H
|
U-5AL
|
585
|
90
|
1.5
|
|
DRB-J60Y-H
|
U-25DL
|
60
|
16
|
0.37
|
10
|
|
DRB-J195Y-H
|
U-4DL
|
195
|
26
|
0.75
|
|
終
端
式
|
SZA-IV-P200
|
|
200
|
60
|
1.1
|
40
|
24EJF-P
換向閥和
YCK-P5壓
差開關
|
GDK01
GDK02
GDK03
|
|
SZA-IV-P400
|
400
|
60、100
|
1.1
|
|
SZA-IV-P800
|
800
|
100
|
2.2
|
|
DRB-P120Z
|
BS-B
|
120
|
30、60
|
0.75
|
|
DRB-P235Z
|
235
|
30、60、100
|
1.5
|
|
DRB-P365Z
|
365
|
60、100
|
|
分 配 器
|
|
型 號
|
公稱壓力
MPa
|
給油量
mL/每次
|
|
標準型號(JB/ZQ4560-97)
|
原型號
|
|
SSPQ-L1
|
DW-20
|
20
|
0.15~0.6
|
|
SSPQ-L2
|
DW-30
|
0.2~1.2
|
|
SSPQ-L3
|
DW-40
|
0.6~2.5
|
|
SSPQ-L4
|
DW-50
|
1.2~5.0
|
|
DSPQ-L1
|
DV-30
|
0.2~1.2
|
|
DSPQ-L2
|
DV-40
|
0.6~2.5
|
|
DSPQ-L3
|
DV-50
|
1.2~5.0
|
|
DSPQ-L4
|
DV-60
|
3.0~14.0
|
|
SSPQ-P0.5
|
ZV-B0.5
|
40
|
0~0.5
|
|
SSPQ-P1.5
|
ZV-B1.5
|
0~1.5
|
|
SSPQ-P3.0
|
ZV-B3.0
|
0~3
|
說明:
1、向潤滑泵的貯油器充填潤滑脂時必須使用加油泵從補給油口進行。
2、系統中還可使用壓力控制閥和 JPQ-L 型分配器,可參見電動潤滑泵終端式二級分配系統。 |